
应用范围HR-PDC-11型高精度电子皮带计量秤广泛应用于建材、冶金、矿山、电力、化工、港口等行业生产过程监控计量和经营贸易结算计量。技术特点◇ 采用全悬浮式秤架,无支点,消除因秤架振动带来的干扰力。 ◇ 采用四只称重传感器承载,避免了物料偏载而产生的称量误差。 ◇ 称重传感器安装在皮带内侧,并...
HR-PDC-11型高精度电子皮带计量秤广泛应用于建材、冶金、矿山、电力、化工、港口等行业生产过程监控计量和经营贸易结算计量。
◇ 采用全悬浮式秤架,无支点,消除因秤架振动带来的干扰力。
◇ 采用四只称重传感器承载,避免了物料偏载而产生的称量误差。
◇ 称重传感器安装在皮带内侧,并且防护等级达IP65。
◇ 秤架与传感器之间的承重连接采用柔性吊挂装置,安装紧凑,维护方便。运行稳定可靠。
◇ 耐冲击,适合在恶劣条件下工作
◇ 测量范围:0~2000t/h(根据订制宽度可到 8000t/h)
◇ 检定精度:±0.125%~±0.5%
◇ 输送机倾角:0~18 度
◇ 适用带宽:500~1400mm(可订制到 2400mm)
◇ 皮带速度:0~4m/s

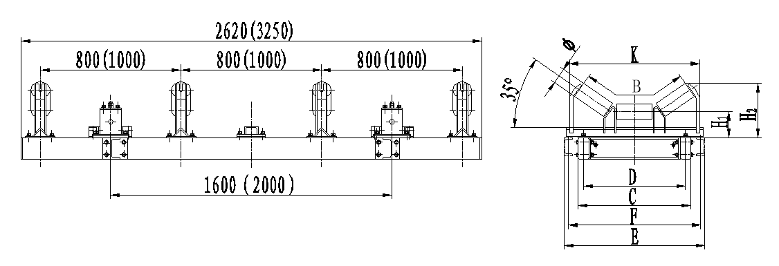
皮带宽度 B | Φ | E | F | C | D | K | H1 | H2 |
500 | 89 | 800 | 770 | 630 | 580 | 700 | 145.5 | 340 |
650 | 89 | 950 | 890 | 780 | 730 | 850 | 145.5 | 377 |
800 | 89 | 1150 | 1090 | 980 | 930 | 1020 | 145.5 | 396 |
1000 | 108 | 1350 | 1290 | 1180 | 1050 | 1200 | 169 | 448 |
133 | 1350 | 1290 | 1180 | 1050 | 1210 | 183.5 | 473 | |
1200 | 108 | 1600 | 1540 | 1430 | 1350 | 1430 | 186 | 514 |
133 | 1600 | 1540 | 1430 | 1350 | 1440 | 200.5 | 539 | |
1400 | 108 | 1800 | 1740 | 1630 | 1550 | 1600 | 194 | 559 |
133 | 1800 | 1740 | 1630 | 1550 | 1610 | 208.5 | 584 |